China Aluminium Profiles for Efficient Solar Mounting Systems Factory | Black Anodized Aluminum Extruded Heat Sink – Ruiqifeng Supplier Factories | Aluminium Profiles for Windows and Doors – Ruiqifeng
head_banner

Aluminium Profiles for Solar mounting Systems

Aluminium Profiles for Solar mounting Systems

Short Description:

Material: 6000 series
Temper: T5, T6
Finishes: Mill Finished, Powder Coating, Wood Grain, Anodizing, Electrophoresis,
Color: White, Black, Silver, Grey, Bronze, Champagne, Wood Grain and customized color.
Application: Construction, Interior Decoration, Architecture
Thicker Thickness:0.7-5.0mm are available to different clients’ needs
Lead time: Around 40 days for the 1st order and 25-30 days for repeat orders.
Country of Origin: Guangxi, China (Mainland)
Max wind capacity(MPH):160Max snow capacityPSF:120
Max wind capacity:45m/sMax snow capacity:0.8KN/m
Modules: Frame or frameless
Warranty Period: 10 years.
MOQ: 300 kgs per model
OEM & ODM: Available.
Payment: T/T, L/C at sight

Welcome inquiry.

We will do our best to accommodate your needs and get back to you within 24 hours.


Product Description

Surface Treatment

Packing Info

Factory Tour

Why Choose Us

Product Tags

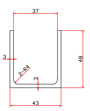
Part of the drawings

cptyrp-(6)
jll7
v5
xv6

Press to download the more detail drawings

Ruiqifeng Industrial Aluminum Profiles Application In The Solar Field

gbj

Aluminium Profiles for Solar mounting Systems

Installers of solar energy systems rely on quick and easy installation, low assembly costs and flexibility. What you may not know is that extruded aluminium profiles make this possible.

xv (3)
xv (4)

Save time and money with aluminium profiles

Aluminium has the ideal properties for use in photovoltaic systems: It is sturdy yet light, so the load on roofs and other surfaces is reduced It offers click-and-plug connections and a reduced number of individual parts and components, facilitating assembly as well as disassembly, fewer work steps and labor Its corrosion resistance ensures less maintenance and a longer service life for components The outstanding properties of aluminium can be enhanced by various finishing or surface treatments, such as anodizing or powder coating.

More sustainable and circular

Ruiqifeng’s aluminium profiles are infinitely recyclable and can be remelted into new profiles at our recycling facilities. By supplying your project with low-carbon and recycled aluminium, we can help you in reducing global emissions and creating a more circular economy.

Roof Solar Mounting

Unuiversal solar mounts series

xv (5)

ACCESSORIES SHOW

Unuiversal solar mounts parts

xv (59)

ALUMINUM RAILS White & black, 3200mm, 4200mm, 5200mm

xv (60)

MID CLAMP White & black, 35mm, 40mm, 45mm

xv (61)

END CLAMP White & black, 35mm, 40mm, 45mm

xv (58)

GROUND LUG White & black, 20mm

xv (62)

RAIL SPLICE White & black, 150mm, 200mm

xv (63)

PAN TILE BRACKET horizontal fixed, M6.3x 65mm roof screw

xv (64)

ADJUSTABLE HOOK horizontal fixed, adjustable, M6.3x 65mm roof screw

xv (65)

ROOF SCREWM 6.3x65mm/70mm/75mm, EDPM, waterproof

Roof Solar Mounting

TR Rail Custom series

TR Rails series are the structural backbone of pitched, flat and ground-based arrays. Their signature curve helps them to resist uplift, protect against buckling and safely and efficiently transfer loads into the building structure. Their superior spanning capability requires fewer roof attachments, reducing the number of roof penetrations and the amount of installation time. Each size supports specific design loads, while minimizing material costs. Depending on your location, there is an TR Rail series to match.

xv (66)
xv (67)

FORCE STABILIZING CURVE

The curved shape of TR Rails series is specially designed to increase strength in both directions while resisting the twisting. This unique feature ensures greater security during extreme weather and a longer system lifetime.

xv (68)

ANODIZED MATERIALS

All TR Rails series are made of 6000-series aluminum alloy, then anodized for protection. This prevents surface and structural corrosion, and provides a more attractive appearance. Available in clear and black finish.

xv (69)

BONDED STRUCTURAL SPLICES

The BOSS (Bonded Structural Splice) provides a strong connection for linking multiple TR Rails®. No assembly, tools, or hardware required. The built-in bonding spring bites into rail, meeting all UL standards.

xv (71)

TR10 RAIL TR

10 is a sleek, low-profile mounting rail, designed for regions with light or no snow. It achieves 6 foot spans, while remaining light and economical. 6’ spanning capability Moderate load capability Clear & black anodized finish Internal splices available

xv (72)

TR100 RAIL TR

100 is the ultimate residential mounting rail. It supports a range of wind and snow conditions, while also maximizing spans up to 8 feet. 8’ spanning capability Heavy load capability Clear & black anodized finish Internal splices available

xv (70)

TR1000 RAIL TR

1000 is a heavyweight among solar mounting rails. It’s built to handle extreme climates and spans up to12 feet for commercial applications. 12’ spanning capability Extreme load capability Clear anodized finish Internal splices available

Product Specification

xv (74)

TR Rail Selection

The below table provides a quick guide on how each rail supports regional circumstances.

xv (73)

Projects Details

Other Solar Mounting System

SLR Custom series

Design drawing

xv (77)

SLR100

xv (75)

SLR200

xv (76)

SLR500

Anodized and Powder coating for protection

CNC deep machining

xv (80)
xv (81)
xv (82)
xv (79)
xv (78)
83E2

  • Previous:
  • Next:

  • Surface Treatment For Aluminum Profile 

      Aluminum has various features such as being strong, and easy to process. Aluminum is a metal that is used in many fields, and its performance can be further enhanced by surface treatment.

      A surface treatment consists of a coating or a process in which a coating is applied to or in the material. There are various surface treatments available for aluminum, each with its own purposes and practical use, such as to be more aesthetic, better adhesive, corrosion resistant, and so on.

    Surface Treatment-Powder Coating-1

         PVDF Coating                                       Powder Coating                                       Wood Grain

    Surface Treatment-Anodizing-2

       Polishing                                                                                                                   Electrophoresis

    Surface Treatment-Anodizing-3

                    Brushed                                                     Anodizing                                               Sandblasting

    If you would like to learn more about surface treatment, please don’t hesitate to contact us, by calling at +86 13556890771(Mob/Whatsapp/We Chat), or request an estimate via Email (info@aluminum-artist.com).

    The common use package of aluminum profiles

    1. Ruiqifeng Standard Packing:

    Stick the PE protective film on the surface. Then the aluminium profiles will be wrapped into a bundle by the shrink film. Sometimes, the customer asks to add a pearl foam inside cover the aluminium profiles. Shrink film can have your logo.

    Ruiqifeng Standard Packing

    2. Paper Packing:

    Stick the PE protective film on the surface. Then the number of aluminium profiles will be wrapped into a bundle by the paper. You can add your logo to the paper. There have two options for paper. Roll of Kraft paper and straight Kraft paper. The way of using of two kinds of paper is different. Check the picture below you will know it.

    Paper Packing

                                                                                            Roll Kraft Paper                                                                                                   Straght Kraft Paper

    3. Standard packing + Cardboard box

    The aluminium profiles will be packed with the standard packing. And then pack in the carton. Last, add the wooden board around the carton. Or let the carton load the Wooden pallets.                                            Standard packing + Cardboard box                                   With Wooden Board                                                                                        With Wooden Pallets

    4. Standard Packing + Wooden Board

    First, it will be packed in standard packing. And then add the wooden board around as the bracket. In this way, the customer can use the forklift to unload the aluminium profiles. That can help them save the cost. However, they will change the standard packing to reduce the cost. For example, they just need to stick to the PE protective film. Cancel the shrink film.

    Here are a few points to note:

    a. Every wooden strip is the same size and length in the same bundle.

    b. The distance between the wooden strips must be equal.

    c. The wooden strip must be stacked on the wooden strip when loading. It cannot be directly pressed over the aluminium profile. This will crush and smear the aluminium profile.

    d. Before the packing and loading, the packing department should calculate the CBM and weight first. If not it will waste much space.

    Below is the picture of the correct packing.

    Correct packing 

    5. Standard Packing + Wooden Box

    First, it will be packed with standard packing. And then pack in the wooden box. There also will have a wooden board around the wooden box for the forklift. The cost of this packing is higher than the other one. Please notice that there must have foam inside the wooden box to prevent the crash.

    ytrytr (5)

    The above is just the common packing. Of course, there are many different packing ways. We appreciate hearing your requirement. Contact us now.

    Loading & Shipment

    Loading & Shipment

          Expedited Express

    Expedited Express

    If not sure which packing is right for you? please don’t hesitate to contact us, by calling at +86 13556890771(Mob/Whatsapp/We Chat), or request an estimate via Email (info@aluminum-artist.com).

     

    Ruiqifeng Factory Tour-Process Flow of Aluminium Products

    1.Melting&Casting Workshop  

    Our own melting&Casting workshop, which can realize waste recycling and reuse, control production costs, and improve production efficiency.

    1.Melting and Casting Workshop

    2.Mould Design Center  

    Our design engineers are ready to develop the most cost-effective and optimal design for your product, using our custom-made dies.

    2.Mould Design Center

    3.Extruding Center

    Our extrusion equipment includes: 600, 800T, 1000T, 1350T, 1500T, 2600T, 5000T extrusion models of different tonnages, equipped with American-made Granco Clark (Granco Clark) tractor,which can produce the largest circumscribed circle Various high-precision profiles up to 510mm.

    3.Extruding Center                       5000Ton Extruder                                                                           Extruding Workshop                                                    Extruding Profile

    4.Aging furnace

    The main purpose of the aging furnace is to remove stress from the aging treatment of aluminum alloy and stainless steel stamping parts. It can also be used for drying ordinary products.

    4.Aging furnace

    5.Powder Coating Workshop

    Ruiqifeng possessed two horizontal powder coating lines and two vertical powder coating lines which used Japanese Ransburg fluorocarbon PVDF spraying equipment and Swiss(Gema) powder spraying equipment.  

     5.Powder Coating Workshop                                                                                                                                                                           Horizontal powdercoating line  

    5.Powder Coating Workshop-2                                              Vertical powder coating line-1                                                                                      Vertical powder coating line-2  

    6.Anodizing Workshop

    Possesses advanced oxygenation& electrophoresis production lines, and can produce oxygenation, electrophoresis, polishing, and other series products.

    6.Anodizing Workshop                                           Anodizing for building profiles                                                                                 Anodizing for heatsink

    6.Anodizing Workshop-2

                           Anodizing for Industrial Aluminium Profiles-1                                                                                Anodizing for Industrial Aluminium Profiles-2

    7.Saw Cut Center

    The sawing equipment is fully automatic and high-precision sawing equipment. The sawing length can be adjusted freely, the feeding speed is fast, the sawing is stable, and the precision is high. It can meet the customers’ sawing requirements of different lengths and sizes.

    7.Saw Cut Center

    8.CNC Deep Processing

    There are 18 sets of CNC machining center equipment, which can process parts of 1000*550*500mm (length*width*height). The machining accuracy of the equipment can reach within 0.02mm, and the fixtures use pneumatic fixtures to quickly replace products and improve the actual and effective running time of the equipment.

    8.CNC Deep Processing

                       CNC Equipment                                                        CNC Machining                                                          Finish products

    9. Quality control -Physical Testing

    We have not only manual inspection by QC personnel, but also an Automatic Optical Image Coordinate Measuring Machine measuring instrument to detect the cross-sectional area size of the heatsinks, and a 3D coordinate measuring instrument for three-dimensional inspection of the product’s all-round dimensions.

    9. Quality control -Physical Testing

                   Manual testing                                                  Automatic Optical Image Coordinate Measuring Machine                              3D Measuring Machine

    10.Quality control-Chemical Composition Test

    10.Quality control-Chemical Composition Test

     Chemical composition and concentration test-1                    Chemical composition and concentration test-2                            Spectrum analyzer

     

    11.Quality control-Experiment and testing equipment

    11.Quality control-Experiment and testing equipment

     Tensile test                                   Size scanner                                                       Salt spray test                                                               Constant temperature and humidity

     12.Packing

    12.Packing

     

    13. Loading & Shipment

    13.Loading& Shipment

                            Logistic Supply-Chain                                                                                       Convenient transportation network by sea, land and air

    THANK YOU VERY MUCH

    As we all know, the economy will not be very good this year due to the affected of geopolitical conflicts and continued interest rate hikes to curb inflation.

    Many companies will face cost pressures. So we have been thinking about what kind of benefits we can bring to potential customers?

     If you have watched the company video in our website Home or Download page, you will know that our benefits are as follows:

    Ⅰ. We are in the resource place of bauxite, Guangxi bauxite resources with the largest reserves and best quality in our country;

    Ⅱ. Ruiqifeng has long-term close cooperation with the famous Guangxi Branch of CHALCO can promise:

         1. We have competitive prices.  2. With high-quality aluminum liquid raw materials, the quality of products is guaranteed.

    Ⅲ. Our One-stop design and manufacturing solutions can ensure product stability and save the whole delivery time.

    WHY CHOOSE US-Ruiqifeng New Material-2023-V2

    My friend, We have been a vendor of one-stop aluminum profile processing solutions for almost 20 years. And we fully believe that we could cooperate together to get a win-win result. 
    What are the benefits you working with us: 
    1) VIP customer solution that surpasses your expectations.
    2) R&D support no matter what it will take.
    3) Premium quality with factory reasonable price.
    4) After-sale service guarantee. 

    If not sure which item is right for you? please don’t hesitate to contact us, by calling at +86 13556890771(Mob/Whatsapp/We Chat), or request an estimate via Email (info@aluminum-artist.com).

    Write your message here and send it to us

    related products

    Please feel free to contact us